Dodaj produkty podając kody
Dodaj plik CSV
Wpisz kody produktów, które chcesz zbiorczo dodać do koszyka (po przecinku, ze spacją lub od nowej linijki).
Powtórzenie wielokrotnie kodu, doda ten towar tyle razy ile razy występuje.
Marka
Symbol
19457.430.00.1
Rodzaj towaru
Akcesoria do podtynkowych systemów instalacyjnych
EAN
4025416500858
Kod producenta
457.430.00.1
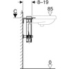
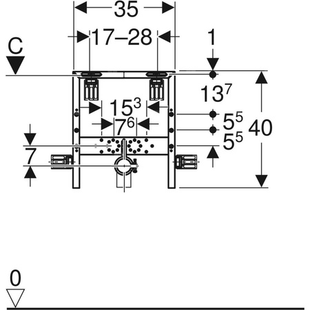
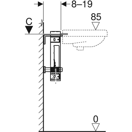
Rodzaj akcesorium
element montażowy do umywalki
Strona www producenta
www.geberit.pl
Zapytaj o produkt
Napisz swoją opinię

















