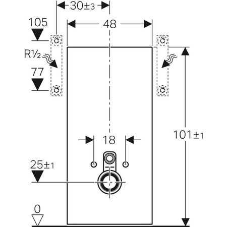
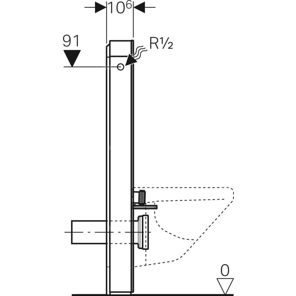
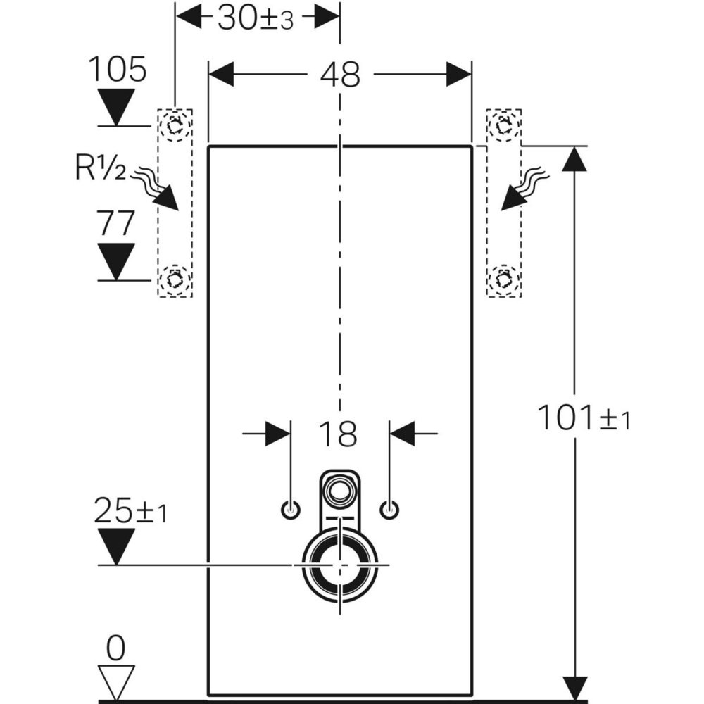
Dane techniczne
-
MateriałStal CrNiMo 1.4401 (EN 10088)
Zastosowanie
- Do chemikaliów i płynów technicznych
- Do wody ciepłowniczej ≤ 140 °C
- Do nośników ciepła (solarne)
- Do olejów mineralnych i smarnych
- Do paliw (np. oleju napędowego)
- Do sprężonego powietrza (klasa czystości oleju 0–4)
- Dla techniki solarnej, przemysłu i budownictwa okrętowego
- Do gazów przemysłowych (np. acetylen, gazy ochronne do spawania)
Właściwości
- Wskaźnik zaciśnięcia
- Wolne od substancji zakłócających proces lakierowania
- Uszczelka z FKM niebieska
- Mufa zaprasowywana z czarną zaślepką ochronną


























