Dodaj produkty podając kody
Dodaj plik CSV
Wpisz kody produktów, które chcesz zbiorczo dodać do koszyka (po przecinku, ze spacją lub od nowej linijki).
Powtórzenie wielokrotnie kodu, doda ten towar tyle razy ile razy występuje.
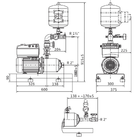
Hydrofor WILO Comfort-Vario COR-1 MHIE 1602-2G-GE stal nierdzewna, częstotliwość 50/60 Hz, prędkość 3500 obr/min, max. 16 bar
Zamontowany na ocynkowanej ramie głównej z amortyzatorami drgań o regulowanej wysokości, z ciśnieniowym naczyniem przeponowym (pojemność 8 l) z armaturą przelotową zgodnie z DIN 4807 i zintegrowanym zabezpieczeniem przed przepływem zwrotnym, czujnik ciśnienia (4 - 20 mA) i manometr do automatycznej regulacji instalacji przy funkcji p = constant.
Możliwość bezstopniowej regulacji wysokości tłoczenia do wartości zadanej za pomocą umieszczonego na przetwornicy częstotliwości systemu obsługi jednym przyciskiem. Automatyczne wykrywanie przepływu zerowego i wyłączanie. Zintegrowane zabezpieczenie silnika poprzez elektroniczną kontrolę wartości prądu. Z wyświetlaczem LCD wskazującym status i wartość ciśnienia rzeczywistego oraz systemem obsługi za pomocą jednego przycisku do ustawiania poziomu ciśnienia i wszystkich wartości zadanych oraz bezpotencjałowymi stykami zbiorczej sygnalizacji pracy i awarii.
Gotowe do przyłączenia okablowanie i zawór kulowy z przekładnią po stronie tłocznej.
Dane eksploatacyjne
*Liczba pomp:
*temperatura przetłaczanej cieczy: 3 oC
*temperatura otoczenia: 5 oC
*Maks. ciśnienie robocze: 16 bar
*Ciśnienie na dopływie: 6 bar
Dane silnika
*Przyłącze sieciowe:
*Znamionowa moc silnika: 2200
*Prąd znamionowy: 5,6 A
*Znamionowa prędkość obrotowa: 3500 Obroty / min
*Klasa izolacji: F
*Stopień ochrony silnika:
Materiały
*Korpus pompy: Stal nierdzewna
*Wirnik: Stal nierdzewna
*Wał: Stal nierdzewna
*Uszczelnienie wału: BQ1E3GG
*Materiał uszczelnienia:
*Materiał orurowania: Stal nierdzewna
Wymiary montażowe
*Przyłącze gwintowane po stronie ssawnej: Rp 2
*Przyłącze gwintowane po stronie tłocznej: R 11/2
Informacje na temat umiejscowienia zamówień
*Produkt:
*Nazwa produktu: Comfort-Vario COR-1 MHIE 1602-GE (3~400 V, 50/60 Hz)
*Masa netto ok.: 40 kg
*Numer artykułu: 2523130
Marka
Symbol
812523130
Rodzaj towaru
Pompy do wody użytkowej
EAN
4016322769507
Kod producenta
2523130
Szerokość [mm]
375
Wysokość [mm]
915
Długość [mm]
600
Prędkość obrotowa [obr/min]
3500
Liczba pomp
1
Do wody użytkowej
1
Materiał korpusu pompy
Stal nierdzewna
Gatunek materiału korpusu pompy
Stal nierdzewna 304
Materiał rurociągu
Stal nierdzewna
Gatunek materiału rurociągu
Stal nierdzewna 316 Ti
Częstotliwość
50/60 Hz
Stopień ochrony pompy (IP)
IP54
Klasa izolacji wg IEC
F
Prąd znamionowy [A]
5.6
Liczba faz
3
Zakres napięcia znamionowego [V]
400
Maks. ciśnienie robocze [bar]
16
Pobór mocy silnika (P1) [kW]
2.6
Moc oddawana silnika (P2) [kW]
2.2
Średnica zewnętrzna przyłącza od strony wlotowej [mm]
50
Średnica zewnętrzna przyłącza od strony wylotowej [mm]
40
Maks. wydajność (maks. przepływ) [m³/h]
31
Maks. wysokość podnoszenia [m]
31.01
Przepływ nominalny (BEP) [m³/h]
19.78
Wysokość podnoszenia przy przepływie nominalnym (BEP) [kPa]
231.24
Materiał wirnika
Stal nierdzewna
Gatunek materiału wirnika
Stal nierdzewna 304
Przyłącze od strony wlotowej
Gwint wewnętrzny gazowy stożkowy
Średnica nominalna przyłącza od strony wlotowej
2 cale
Klasa ciśnienia kołnierza przyłącza wlotowego
PN 10
Rodzaj przyłącza wlotowego
ISO 7-1 / EN 10226-1
Przyłącze po stronie wylotowej
Gwint wewnętrzny gazowy stożkowy
Średnica nominalna przyłącza od strony wylotowej
1 1/2 cala
Klasa ciśnienia kołnierza przyłącza wylotowego
PN 10
Rodzaj przyłącza wylotowego
ISO 7-1 / EN 10226-1
Kształt końcówki
Inne
Długość towaru w centymetrach
80
Wysokość towaru w centymetrach
110
Szerokość towaru w centymetrach
120
Strona www producenta
www.wilo.pl
Zapytaj o produkt
Napisz swoją opinię












