Dodaj produkty podając kody
Dodaj plik CSV
Wpisz kody produktów, które chcesz zbiorczo dodać do koszyka (po przecinku, ze spacją lub od nowej linijki).
Powtórzenie wielokrotnie kodu, doda ten towar tyle razy ile razy występuje.
- gwarancja: 10 lat
- medium: woda, glikol 50%, sprężone powietrze
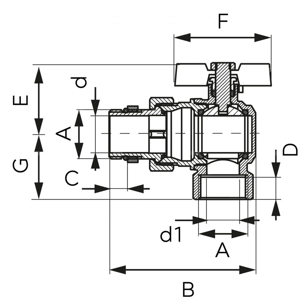
- nakrętno-wkrętny ze śrubunkiem
- dodatkowa nakrętka z uszczelką na gwincie montażowym
- z dławikiem
- uchwyt: motylek
- materiał korpusu i kuli: mosiądz
- materiał uszczelnień kuli i trzpienia: PTFE
- ciśnienie nominalne 30 bar (PN30)
- maksymalna temperatura pracy: 120°C
- NICKEL FREE - powierzchnia zaworu mająca kontakt z wodą nie jest niklowana
- mosiądz CW617N-4MS - obniżona zawartość ołowiu oraz niklu
Marka
Symbol
K5KFPS3A
Rodzaj towaru
Zawory do wody
EAN
5902194993272
Kod producenta
KFPS3A
Znamionowa średnica wewnętrzna połączenia 1
1''
Połączenie 1
Gwint zewnętrzny
Znamionowa średnica wewnętrzna połączenia 2
1''
Połączenie 2
Gwint wewnętrzny
Model
Kątowy
Uchwyt
motylek
Strona www producenta
www.ferro.pl
Zapytaj o produkt
Napisz swoją opinię









