Dodaj produkty podając kody
Dodaj plik CSV
Wpisz kody produktów, które chcesz zbiorczo dodać do koszyka (po przecinku, ze spacją lub od nowej linijki).
Powtórzenie wielokrotnie kodu, doda ten towar tyle razy ile razy występuje.
Marka
Symbol
K54092-1801
Rodzaj towaru
Łączniki gwintowane z brązu i mosiądzu
EAN
5902194910583
Kod producenta
4092-1801
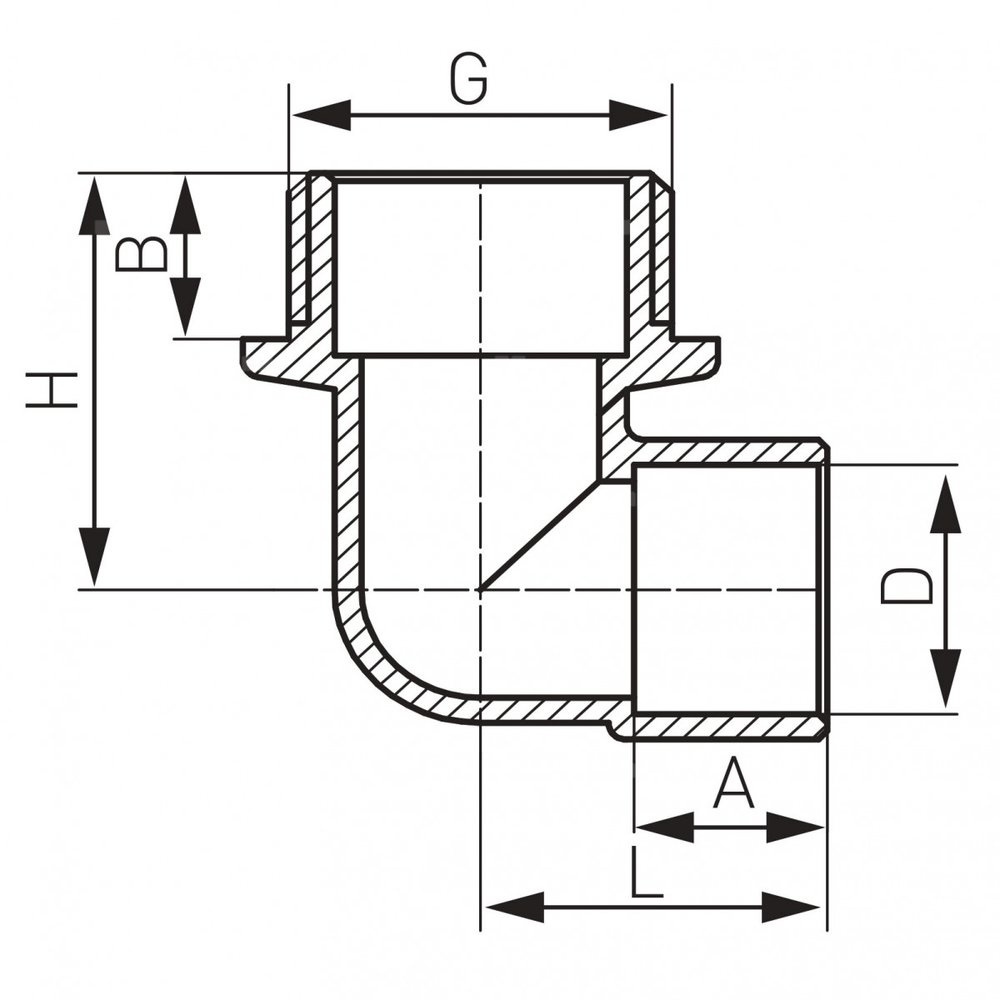
Kąt łuku [°]
90
Znamionowa średnica wewnętrzna połączenia 1
18
Połączenie 1
LW
Znamionowa średnica wewnętrzna połączenia 2
1/2''
Połączenie 2
GZ
Rodzaj złącza
Kolano przejściowe
Długość towaru w centymetrach
4
Wysokość towaru w centymetrach
2.5
Szerokość towaru w centymetrach
3.5
Strona www producenta
www.ferro.pl
Zapytaj o produkt
Napisz swoją opinię









