Dodaj produkty podając kody
Dodaj plik CSV
Wpisz kody produktów, które chcesz zbiorczo dodać do koszyka (po przecinku, ze spacją lub od nowej linijki).
Powtórzenie wielokrotnie kodu, doda ten towar tyle razy ile razy występuje.
|
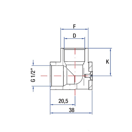
charakterystyka
|
opakowanie - ilość szt.
|
masa jedn.
|
nr kat.
|
||||
|
L
|
D
|
F
|
K
|
woreczek
|
karton
|
kg
|
|
|
100
|
G1/2"
|
-
|
28
|
-
|
-
|
-
|
1112100
|
|
100
|
-
|
G 1/2"
|
30,5
|
-
|
-
|
-
|
1112101
|
|
100
|
ø15
|
-
|
28
|
-
|
-
|
-
|
1112102
|
|
|
|
|
|
|
|
-
|
|
|
150
|
G 1/2"
|
-
|
28
|
-
|
-
|
-
|
1112150
|
|
150
|
-
|
G 1/2"
|
30,5
|
-
|
-
|
-
|
1112151
|
|
150
|
ø15
|
-
|
28
|
-
|
-
|
-
|
1112152
|
Marka
Symbol
C21112102
Rodzaj towaru
Systemy montażowe
EAN
5900000353586
Kod producenta
1112102
Rozstaw osi połączeń [mm]
100
Znamionowa średnica wewnętrzna połączenia 1
1/2''
Znamionowa średnica wewnętrzna połączenia 2
15 mm
Połączenie 2
LW
Połączenie 1
GW
Strona www producenta
www.rumet.pl
Zapytaj o produkt
Napisz swoją opinię











