Dodaj produkty podając kody
Dodaj plik CSV
Wpisz kody produktów, które chcesz zbiorczo dodać do koszyka (po przecinku, ze spacją lub od nowej linijki).
Powtórzenie wielokrotnie kodu, doda ten towar tyle razy ile razy występuje.
|
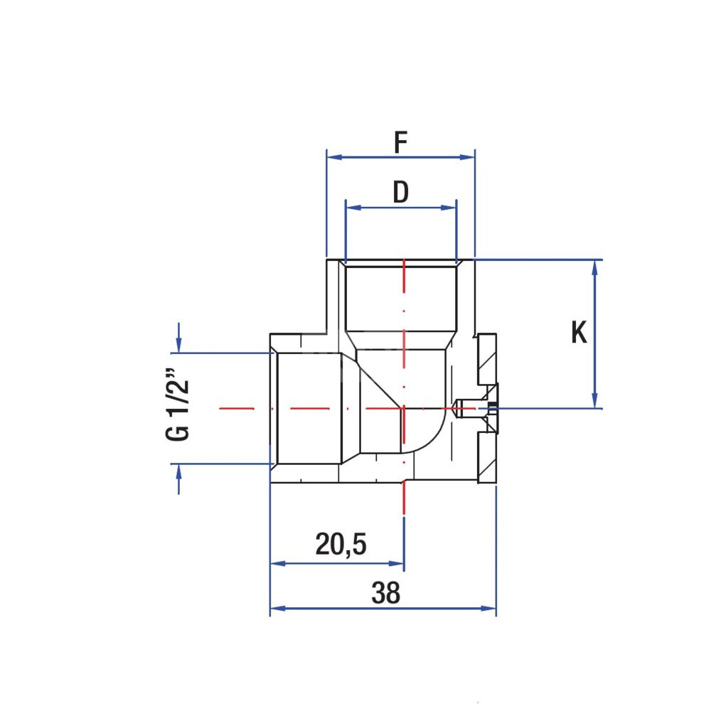
charakterystyka
|
opakowanie - ilość szt.
|
masa jedn.
|
nr kat.
|
||||
|
L
|
D
|
F
|
K
|
woreczek
|
karton
|
kg
|
|
|
100
|
G1/2"
|
-
|
28
|
-
|
-
|
-
|
1112100
|
|
100
|
-
|
G 1/2"
|
30,5
|
-
|
-
|
-
|
1112101
|
|
100
|
ø15
|
-
|
28
|
-
|
-
|
-
|
1112102
|
|
|
|
|
|
|
|
-
|
|
|
150
|
G 1/2"
|
-
|
28
|
-
|
-
|
-
|
1112150
|
|
150
|
-
|
G 1/2"
|
30,5
|
-
|
-
|
-
|
1112151
|
|
150
|
ø15
|
-
|
28
|
-
|
-
|
-
|
1112152
|
Marka
Symbol
C21112152
Rodzaj towaru
Systemy montażowe
EAN
5900000353616
Kod producenta
1112152
Długość połączenia 1 [mm]
155
Rozstaw osi połączeń [mm]
150
Znamionowa średnica wewnętrzna połączenia 1
1/2''
Znamionowa średnica wewnętrzna połączenia 2
15 mm
Połączenie 2
LW
Połączenie 1
GW
Strona www producenta
www.rumet.pl
Zapytaj o produkt
Napisz swoją opinię











