Dodaj produkty podając kody
Dodaj plik CSV
Wpisz kody produktów, które chcesz zbiorczo dodać do koszyka (po przecinku, ze spacją lub od nowej linijki).
Powtórzenie wielokrotnie kodu, doda ten towar tyle razy ile razy występuje.
Marka
Symbol
K54243-2803
Rodzaj towaru
Łączniki gwintowane z brązu i mosiądzu
EAN
5902194910989
Kod producenta
4243-2803
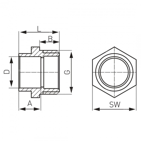
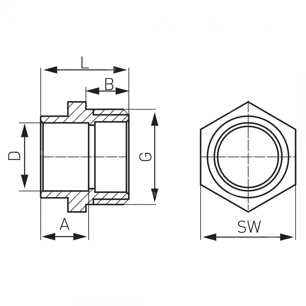
Znamionowa średnica wewnętrzna połączenia 1
28
Połączenie 1
Mufa do lutowania
Znamionowa średnica wewnętrzna połączenia 2
1''
Połączenie 2
Gwint zewnętrzny
Rodzaj złącza
Nypel przejściowy
Długość towaru w centymetrach
3.5
Wysokość towaru w centymetrach
1.5
Szerokość towaru w centymetrach
3
Strona www producenta
www.ferro.pl
Zapytaj o produkt
Napisz swoją opinię









