Dodaj produkty podając kody
Dodaj plik CSV
Wpisz kody produktów, które chcesz zbiorczo dodać do koszyka (po przecinku, ze spacją lub od nowej linijki).
Powtórzenie wielokrotnie kodu, doda ten towar tyle razy ile razy występuje.
|
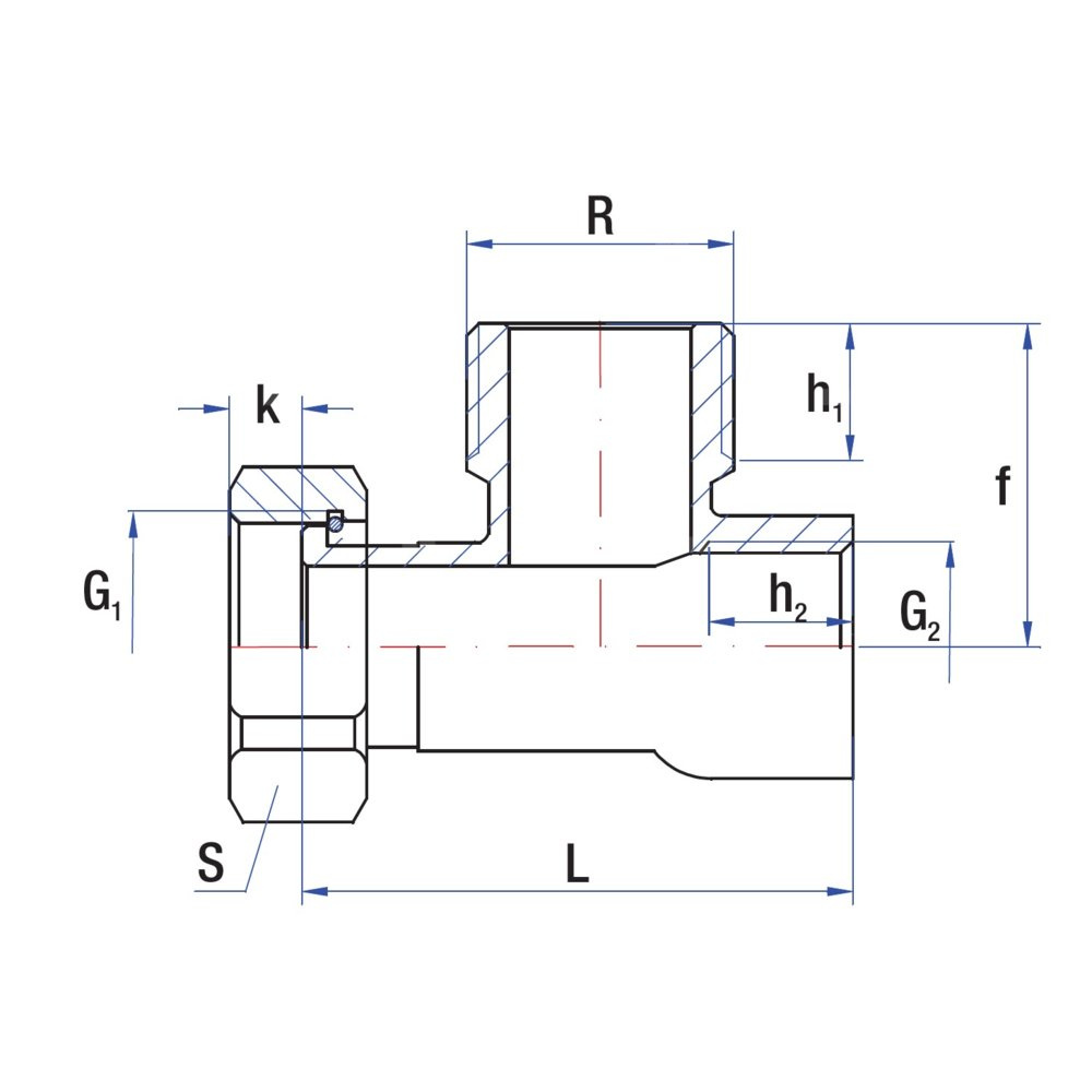
charakterystyka
|
opakowanie - ilość szt.
|
masa jedn.
|
nr kat.
|
|||||||||
|
G1
|
G2
|
R
|
L
|
k
|
h1
|
h2
|
f
|
S
|
woreczek
|
karton
|
kg
|
|
|
3/4"
|
1/2"
|
3/4"
|
54,5
|
9
|
13
|
12
|
33
|
30
|
10
|
50 |
0,150
|
9090031
|
|
1"
|
1/2"
|
1"
|
60
|
9
|
14
|
12
|
40
|
38
|
5 | 30 |
0,280
|
9090026
|
|
5/4"
|
1/2"
|
5/4"
|
70
|
11,5
|
20
|
12,5
|
49
|
46
|
5 |
20
|
0,430
|
9090027
|
Marka
Symbol
C29090031
Rodzaj towaru
Łączniki gwintowane z brązu i mosiądzu
EAN
5900000061207
Kod producenta
9090031
Materiał połączenia 1
Mosiądz
Znamionowa średnica wewnętrzna połączenia 1
3/4''
Połączenie 1
LW
Znamionowa średnica wewnętrzna połączenia 2
3/4''
Połączenie 2
GZ
Połączenie 3
GW
Znamionowa średnica wewnętrzna połączenia 3
1/2''
Strona www producenta
www.rumet.pl
Zapytaj o produkt
Napisz swoją opinię









