Dodaj produkty podając kody
Dodaj plik CSV
Wpisz kody produktów, które chcesz zbiorczo dodać do koszyka (po przecinku, ze spacją lub od nowej linijki).
Powtórzenie wielokrotnie kodu, doda ten towar tyle razy ile razy występuje.
|
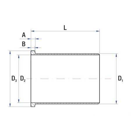
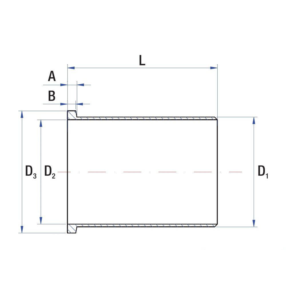
charakterystyka
|
opakowanie - ilość szt.
|
masa jedn.
|
nr kat.
|
||||||
|
D1
|
D2
|
D3
|
A
|
B
|
L
|
woreczek
|
karton
|
kg
|
|
|
12,6
|
11,5
|
15
|
2
|
1,5
|
20
|
10
|
400
|
0,010
|
9092015
|
|
15,8
|
14
|
18
|
2
|
1,5
|
27
|
10
|
300
|
0,010
|
9092018
|
|
19,8
|
18
|
22
|
1,8
|
1,5
|
27
|
10
|
240
|
0,010
|
9092022
|
Marka
Symbol
C29092018
Rodzaj towaru
Łączniki gwintowane z brązu i mosiądzu
EAN
5900000061771
Kod producenta
9092018
Średnica wewnętrzna [mm]
18
Strona www producenta
www.rumet.pl
Zapytaj o produkt
Napisz swoją opinię









