Dodaj produkty podając kody
Dodaj plik CSV
Wpisz kody produktów, które chcesz zbiorczo dodać do koszyka (po przecinku, ze spacją lub od nowej linijki).
Powtórzenie wielokrotnie kodu, doda ten towar tyle razy ile razy występuje.
|
charakterystyka
|
opakowanie - ilość szt.
|
masa jedn.
|
nr kat.
|
||||||||
|
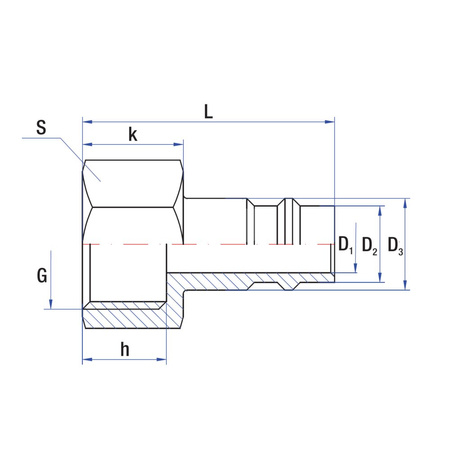
G
|
L
|
k
|
h
|
D1
|
D2
|
D3
|
S
|
woreczek
|
karton
|
kg
|
|
|
1/4"
|
33
|
13
|
9
|
7,5
|
10
|
12
|
17
|
10
|
150
|
0,024
|
90112N
|
|
3/8"
|
37
|
13,5
|
9
|
7,5
|
10
|
12
|
19
|
10
|
150
|
0,024
|
90113N
|
|
1/2"
|
39
|
15
|
9
|
7,5
|
10
|
12
|
24
|
10
|
150 |
0,039
|
90114N
|
Marka
Symbol
C290113N
Rodzaj towaru
Przewody i łączniki do wody
Kod producenta
90113N
Materiał
Mosiądz
Złącze gwintowe
GW/zatrzask
Rozmiar połączenia gwintowego w calach
3/8''
Strona www producenta
www.rumet.pl
Zapytaj o produkt
Napisz swoją opinię



























