Dodaj produkty podając kody
Dodaj plik CSV
Wpisz kody produktów, które chcesz zbiorczo dodać do koszyka (po przecinku, ze spacją lub od nowej linijki).
Powtórzenie wielokrotnie kodu, doda ten towar tyle razy ile razy występuje.
|
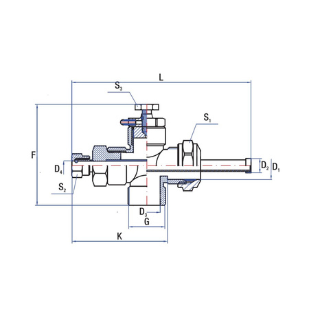
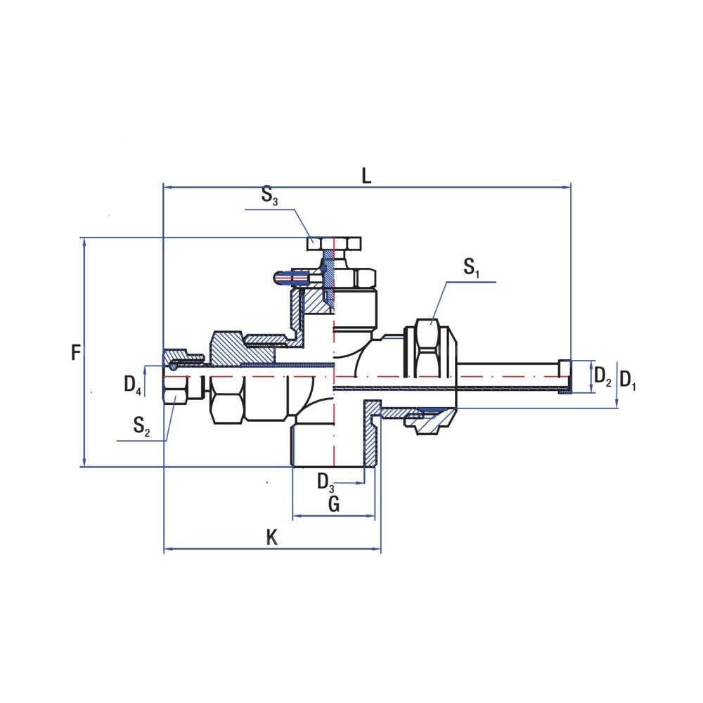
charakterystyka
|
opakowanie - ilość szt.
|
masa jedn.
|
nr kat.
|
|||||||||||
|
G
|
L
|
K
|
F
|
D1
|
D2
|
D3
|
D4
|
S1
|
S2
|
S3
|
woreczek
|
karton
|
kg
|
|
|
3/4"
|
121
|
65
|
69
|
18
|
10
|
18
|
6
|
27
|
14
|
14
|
5
|
20
|
0,300
|
9090014
|
|
3/4"
|
121
|
65
|
69
|
22
|
10
|
18
|
6
|
32
|
14
|
14
|
5
|
20
|
0,330
|
9090015
|
|
-
|
121
|
65
|
62
|
18
|
10
|
18
|
6
|
27
|
14
|
14
|
5
|
20
|
0,310
|
9090039
|
|
-
|
121
|
65
|
62
|
22
|
10
|
22
|
6
|
32
|
14
|
14
|
5
|
20
|
0,340
|
9090016
|
|
1/2"
|
171
|
65
|
69
|
18
|
10
|
18
|
6
|
27
|
14
|
14
|
5
|
15
|
0,280
|
90900145
|
|
1/2"
|
171
|
65
|
69
|
22
|
10
|
18
|
6
|
32
|
14
|
14
|
5
|
15
|
0,290
|
90900155
|
|
-
|
171
|
65
|
62
|
18
|
10
|
18
|
6
|
27
|
14
|
14
|
5
|
15
|
0,320
|
90900395
|
|
-
|
171
|
65
|
62
|
22
|
10
|
22
|
6
|
32
|
14
|
14
|
5
|
15
|
0,340
|
90900165
|
|
1/2"
|
221
|
65
|
69
|
18
|
10
|
18
|
6
|
27
|
14
|
14
|
5
|
15
|
0,290
|
90900142
|
|
1/2"
|
221
|
65
|
69
|
22
|
10
|
18
|
6
|
32
|
14
|
14
|
5
|
15
|
0,300
|
90900152
|
|
-
|
221
|
65
|
62
|
18
|
10
|
18
|
6
|
27
|
14
|
14
|
5
|
15
|
0,330
|
90900392
|
|
-
|
221
|
65
|
62
|
22
|
10
|
22
|
6
|
32
|
14
|
14
|
5
|
15
|
0,250
|
90900162
|
Marka
Symbol
C29090014
Rodzaj towaru
Zawory grzejnikowe
EAN
5900000061054
Kod producenta
9090014
Rozmiar połączenia rurowego
3/4"
Strona www producenta
www.rumet.pl
Zapytaj o produkt
Napisz swoją opinię




























