Dodaj produkty podając kody
Dodaj plik CSV
Wpisz kody produktów, które chcesz zbiorczo dodać do koszyka (po przecinku, ze spacją lub od nowej linijki).
Powtórzenie wielokrotnie kodu, doda ten towar tyle razy ile razy występuje.
Pompa obiegowa blokowa Wilo-Stratos GIGA B 80/1-13/1,9 o najwyższej sprawności z silnikiem EC i elektronicznie regulowanym dopasowaniem wydajności, o konstrukcji dławnicowej. Jednostopniowa, niskociśnieniowa pompa wirowa z przyłączem kołnierzowym i uszcze
Budowa:
*Jednostopniowa niskociśnieniowa pompa wirowa z niedzielonym wałem o konstrukcji blokowej, ze stopą na korpusie pompy
*Wymiary kołnierza i korpusu zgodnie z normą EN 733
*Kołnierze PN 16 - nawiercone zgodnie z EN 1092-2
*Przyłącza pomiarowe ciśnienia (R 1/8) do zamontowanego czujnika różnicy ciśnień (wersja ...-R1 bez czujnika różnicy ciśnień)
*Korpus pompy i kołnierz silnika standardowo z powłoką kataforetyczną
*Uszczelnienie mechaniczne do tłoczenia wody o temperaturze do Tmax. = +140 oC. Do T ≤ +40 oC dopuszczalna jest domieszka glikolu od 20 % do 40 % objętości. W przypadku mieszanin woda/glikol z zawartością glikolu > 40 % max. do 50 % objętości i o temperaturze przetłaczanej cieczy od > +40 oC do max. +120 oC lub mediów innych niż woda należy zastosować alternatywne uszczelnienie mechaniczne.
*Napięcie zasilania 3~ 480 V ±10 %, 50/60 Hz, 3~ 440 V ±10 %, 50/60 Hz, 3~ 400 V ±10 %, 50/60 Hz, 3~ 380 V -5 % +10 %, 50/60 Hz
Wyposażenie dodatkowe:
*Konsole do mocowania na fundamencie
*Zestawy czujników różnicy ciśnień 0 - 10 V do pomp w wersji ...-R1
*IR-Monitor
*IR-Stick
*IF-Moduł PLR
*IF-Moduł LON
*IF-Moduł Modbus
*IF-Moduł BACnet
*IF-Moduł CAN
Wyposażenie standardowe:
*Poziom obsługi ręcznej za pomocą zielonego pokrętła z następującymi funkcjami:
**Włączanie/wyłączanie pompy
**Wybór rodzaju regulacji: Δp-c (stała różnica ciśnień), Δp-v (zmienna różnica ciśnień), regulator PID, n-constant (tryb regulacji ręcznej)
**Ustawienie wartości zadanej lub prędkości obrotowej
**Konfiguracja parametrów roboczych
**Potwierdzenie błędu
*Wyświetlacz pompy wskazujący:
**Tryb regulacji
**Wartość zadaną (np. różnicy ciśnień lub prędkości obrotowej)
**Komunikaty o błędach i komunikaty ostrzegawcze
**Wartości rzeczywiste (np. poboru mocy, wartości rzeczywistej czujnika)
**Dane robocze (np. godziny pracy, zużycie energii)
**Dane dotyczące stanu (np. stan przekaźnika SSM i SBM)
**Dane urządzenia (np. nazwa pompy)
**Rodzaj pracy (tylko w zastosowaniu z trójnikiem rurowym: Praca/rezerwa, tryb pracy z dołączaniem)
Funkcje dodatkowe:
*Interfejsy analogowe 0-10 V, 2-10 V, 0-20 mA, 4-20 mA, zintegrowany system zarządzania pracą pomp podwójnych do zastosowania w kształtce rozgałęźnej, dwa przekaźniki sygnalizacji pracy i awarii z możliwością konfiguracji, konfigurowana reakcja w przypadku usterki dostosowana do instalacji grzewczych i klimatyzacyjnych, blokada dostępu na pompie, wbudowane pełne zabezpieczenie silnika (czujnik termistorowy) z wyzwalaczem elektronicznym, standardowe otwory odpływowe kondensatu w korpusie silnika (w stanie fabrycznym zamknięte), złącze na podczerwień do bezprzewodowej komunikacji z urządzeniem kontrolno-serwisowym Wilo-IR-Moduł i Wilo-IR-Stick, gniazdo do IF-Modułów Wilo Modbus, BACnet, CAN, PLR, LON do podłączenia do automatyki budynku
Dane eksploatacyjne
*temperatura przetłaczanej cieczy: -20 oC
*temperatura otoczenia: 0 oC
*Maks. ciśnienie robocze: 16 bar
*: 16 bar do 120oC, 13 bar do 140oC
*Wskaźnik minimalnej energochłonności (MEI): 0,7
Dane silnika
*Klasa sprawności energetycznej silnika:
*Generowanie zakłóceń:
*Odporność na zakłócenia:
*Przyłącze sieciowe: 3~380 V, 50/60 Hz 3~400 V, 50/60 Hz 3~440 V, 50/60 Hz 3~480 V, 50/60 Hz
*Moc znamionowa : 1900
*Prędkość obrotowa maks.: 2300 Obroty / min
*Prąd znamionowy: 4,7 A
*Klasa izolacji: F
*Stopień ochrony silnika:
*Zabezpieczenie silnika:
Materiały
*Korpus pompy: 5.1301, KTL-beschichtet
*Wirnik:
*Wał: Stal nierdzewna
*Uszczelnienie wału: AQ1EGG
*Latarnia: 5.1301, KTL-beschichtet
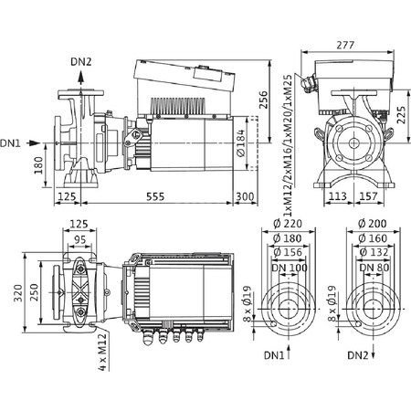
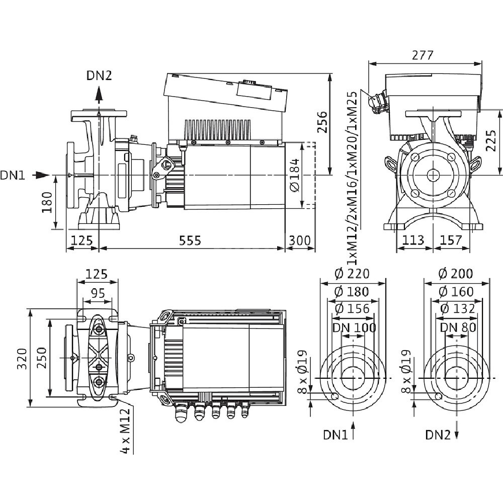
Wymiary montażowe
*Przyłącze gwintowane po stronie ssawnej: DN 100
*Przyłącze gwintowane po stronie tłocznej: DN 80
Informacje na temat umiejscowienia zamówień
*Produkt:
*Nazwa produktu: Stratos GIGA B 80/1-13/1,9
*Masa netto ok.: 62 kg
*Numer artykułu: 2189123
Marka
Symbol
812189123
Rodzaj towaru
Pompy do wody użytkowej
EAN
4048482778495
Kod producenta
2189123
Prąd znamionowy [A]
4.7
Moc oddawana silnika (P2) [kW]
2.3
Prędkość obrotowa [obr/min]
2300
Wysokość części zasysającej [mm]
180
Wysokość części tłoczącej [mm]
277
Odległość między osiami przyłącza ssawnego/tłocznego [mm]
125
Długość pompy [mm]
680
Rodzaj napędu
Elektryczny
Częstotliwość
50/60 Hz
Stopień ochrony (IP)
IP55
Klasa izolacji wg IEC
F
Liczba faz
3
Temperatura otoczenia [°C]
40
Zakres napięcia znamionowego [V]
400
Maks. ciśnienie robocze [bar]
16
Średnica zewnętrzna przyłącza od strony wylotowej [mm]
80
Maks. wydajność (maks. przepływ) [m³/h]
118
Maks. wysokość podnoszenia [m]
14.2
Przepływ nominalny (BEP) [m³/h]
76.45
Wysokość podnoszenia przy przepływie nominalnym (BEP) [kPa]
88.75
Wskaźnik minimalnej sprawności (MEI)
0.7
Materiał korpusu pompy
Żeliwo
Gatunek materiału korpusu pompy
Żeliwo GG 25
Materiał wirnika
Polipropylen
Gatunek materiału wirnika
PP-GF
Przyłącze od strony wlotowej
Kołnierz
Średnica nominalna przyłącza od strony wlotowej
DN 100
Klasa ciśnienia kołnierza przyłącza wlotowego
PN 16
Rodzaj przyłącza wlotowego
EN 1092-2
Przyłącze po stronie wylotowej
Kołnierz
Średnica nominalna przyłącza od strony wylotowej
DN 80
Klasa ciśnienia kołnierza przyłącza wylotowego
PN 16
Rodzaj przyłącza wylotowego
EN 1092-2
Kształt końcówki
Okrągły
Klasa efektywności energetycznej silnika
IE5
Długość towaru w centymetrach
51.5
Wysokość towaru w centymetrach
61.5
Szerokość towaru w centymetrach
79.5
Strona www producenta
www.wilo.pl
Zapytaj o produkt
Napisz swoją opinię












