Dodaj produkty podając kody
Dodaj plik CSV
Wpisz kody produktów, które chcesz zbiorczo dodać do koszyka (po przecinku, ze spacją lub od nowej linijki).
Powtórzenie wielokrotnie kodu, doda ten towar tyle razy ile razy występuje.
Pompa obiegowa WILO CronoTwin-DL 150/270-22/4-IE3 typu in-line z silnikiem znormalizowanym 50 Hz, moc silnika 22kW 40.2 A 1450 obr/min, wlot Kołnierz DN 150
Dane eksploatacyjne
*temperatura przetłaczanej cieczy: -20 oC
*temperatura otoczenia: -15 oC
*Maks. ciśnienie robocze: 16 bar
*: 16 bar do 120oC, 13 bar do 140oC
*Wskaźnik minimalnej energochłonności (MEI): 0,4
Dane silnika
*Klasa sprawności energetycznej silnika:
*Przyłącze sieciowe:
*Tolerancja napięcia:
*Moc znamionowa : 22000
*Znamionowa prędkość obrotowa: 1450 Obroty / min
*Prąd znamionowy: 40,2 A
*Współczynnik mocy: 0,85
*Sprawność silnika ηm 50 %: 92
*Sprawność silnika ηm 75 %: 93
*Sprawność silnika ηm 100 %: 92,5
*Klasa izolacji: F
*Stopień ochrony:
Materiały
*Korpus pompy: EN-GJL-250
*Wirnik:
*Wał: Stal nierdzewna
*Uszczelnienie wału: AQ1EGG
*Latarnia: EN-GJL-250
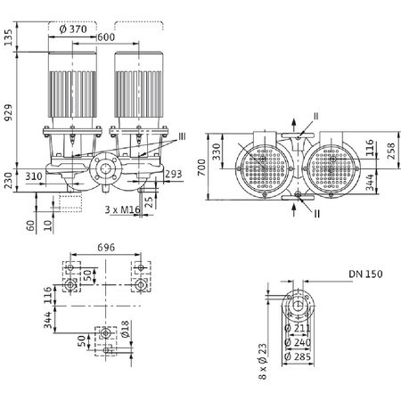
Wymiary montażowe
*Przyłącze gwintowane po stronie ssawnej: DN 150
*Przyłącze gwintowane po stronie tłocznej: DN 150
Informacje na temat umiejscowienia zamówień
*Produkt:
*Nazwa produktu: CronoTwin-DL 150/270-22/4
*Masa netto ok.: 772,2 kg
*Numer artykułu: 2120998
Marka
Symbol
812120998
Rodzaj towaru
Pompy do wody użytkowej
EAN
4048482219677
Kod producenta
2120998
Prąd znamionowy [A]
40.2
Długość wbudowania [mm]
700
Moc oddawana silnika (P2) [kW]
22
Prędkość obrotowa [obr/min]
1450
Podwójna pompa
1
Częstotliwość
50 Hz
Stopień ochrony (IP)
IP55
Klasa izolacji wg IEC
F
Liczba faz
3
Zakres napięcia znamionowego [V]
400
Maks. ciśnienie robocze [bar]
16
Średnica zewnętrzna przyłącza od strony wylotowej [mm]
150
Maks. wydajność (maks. przepływ) [m³/h]
634.1
Maks. wysokość podnoszenia [m]
23.57
Przepływ nominalny (BEP) [m³/h]
501.7
Wysokość podnoszenia przy przepływie nominalnym (BEP) [kPa]
189.56
Wskaźnik minimalnej sprawności (MEI)
0.4
Materiał korpusu pompy
Żeliwo
Gatunek materiału korpusu pompy
Żeliwo GG 25
Materiał wirnika
Żeliwo
Gatunek materiału wirnika
Żeliwo GG 20
Przyłącze od strony wlotowej
Kołnierz
Średnica nominalna przyłącza od strony wlotowej
DN 150
Klasa ciśnienia kołnierza przyłącza wlotowego
PN 16
Rodzaj przyłącza wlotowego
EN 1092-2
Przyłącze po stronie wylotowej
Kołnierz
Średnica nominalna przyłącza od strony wylotowej
DN 150
Klasa ciśnienia kołnierza przyłącza wylotowego
PN 16
Rodzaj przyłącza wylotowego
EN 1092-2
Kształt końcówki
Okrągły
Klasa efektywności energetycznej silnika
IE3
Długość towaru w centymetrach
150
Wysokość towaru w centymetrach
88.1
Szerokość towaru w centymetrach
150
Strona www producenta
www.wilo.pl
Zapytaj o produkt
Napisz swoją opinię












