Dodaj produkty podając kody
Dodaj plik CSV
Wpisz kody produktów, które chcesz zbiorczo dodać do koszyka (po przecinku, ze spacją lub od nowej linijki).
Powtórzenie wielokrotnie kodu, doda ten towar tyle razy ile razy występuje.
Pompa Smart Premium Wilo-Stratos MAXO-D
Pompa podwójna bezdławnicowa typu Inline o najwyższej sprawności z silnikiem EC i elektronicznym dopasowaniem wydajności. Stosowanie dla wody ciepłej, zimnej oraz mieszanki wody i glikolu. Współczynnik sprawności energetycznej (EEI) w zależności od typu pompy ≤ 0,17 i ≤ 0,19.
*Rodzaje regulacji:
*Stałe, automatyczne dostosowanie mocy do wymagań instalacji bez wprowadzania wartości zadanych Wilo-Dynamic Adapt plus (ustawienie fabryczne). Oszczędność zużycia energii do 20 % w porównaniu z trybem regulacji dp-v.
*Stała temperatura (T-const.)
*Stała temperatura różnicowa (dT-const.)
*Dostosowana do zapotrzebowania optymalizacja przepływu obrotowego pompy zasilającej poprzez połączenie i komunikację z kilkoma pompami (Multi-Flow Adaptation).
*Stały przepływ (Q-const.)
*Regulacja różnicy ciśnień dp-c w punkcie oddalonym w rurociągu (regulacja punktu błędnego)
*Stała różnica ciśnień (dp-c)
*Zmienna różnica ciśnień (dp-v) z opcją nominalnego wprowadzania punktu pracy
*Stała prędkość obrotowa (n-const.)
*Zdefiniowana przez użytkownika regulacja PID
*Funkcje:
*Rejestracja ilości ciepła
*Rejestracja ilości zimna
*Automatyczne wyłączanie w przypadku rozpoznania w pompie przepływu zerowego (No-Flow Stop)
*Przełączanie pomiędzy trybem grzania i chłodzenia (automatycznie, zewnętrzne i manualnie)
*Nastawne ograniczenie przepływu przez funkcję Q-Limit (Qmin. i Qmax.)
*Rodzaj pracy pomp podwójnych: Optymalizowana sprawnościowo praca z dołączaniem dla dp-c i dp-v, tryb pracy podstawowej / tryb pracy z rezerwą
*Zapisywanie i przywracania skonfigurowanych ustawień pompy (3 punkty przywrócenia ustawień)
*Sygnalizacja awarii / ostrzeżenia w formie tekstu wraz z pomocą
*Funkcja odpowietrzania do automatycznego odpowietrzania komory wirnika
*Automatyczna praca w trybie obniżenia nocnego
*Automatyczna funkcje nieblokowania i wbudowane pełne zabezpieczenie silnika
*Wykrywanie pracy na sucho
*Wskazanie:
*Rodzaj regulacji
*Wartość zadana
*Przepływ
*Temperatura
*Pobór mocy
*Zużycie prądu
*Czynniki wywierające aktywny wpływ (np. STOP, No-Flow Stop)
*Wersja:
*2 konfigurowane wejścia analogowe: 0 - 10 V, 2 - 10 V, 0 - 20 mA, 4 - 20 mA i standardowe PT1000; zasilanie elektryczne z +24 V DC
*2konfigurowalne wejścia cyfrowe (Ext. Off, Ext. Min, Ext. Max, ogrzewanie / chłodzenie, możliwość ręcznego przesterowania (automatyka budynku sparowana), blokada obsługi (blokada klawiszy i ochrona konfiguracji pilotów))
*2konfigurowane przekaźniki do sygnalizacji komunikatów pracy i sygnalizacji awarii
*Gniazdo modułów CIF Wilo z interfejsami do automatyki budynku (opcjonalne wyposażenie dodatkowe: moduły CIF Modbus RTU, BACnet MS/TP, LON, PLR)
*Wilo Net jako system magistrali Wilo do komunikacja produktów Wilo między sobą np. Multi-Flow Adaptation; Pompa podwójna i Wilo-Smart Gateway
*Zintegrowane czujniki temperatury
*Automatyczny tryb awaryjny w sytuacjach wyjątkowych (zdefiniowana prędkość obrotowa pompy) np. w przypadku gdy nastąpi wyłączenie komunikacji za pomocą magistrali lub wartości czujników
*Graficzny wyświetlacz kolorowy (4,3 cala) z obsługą poprzez moduł obsługi ręcznej za pomocą jednego przycisku
*Odczytywanie i ustawianie danych pracy oraz np. sporządzanie protokołu z uruchomienia za pośrednictwem interfejsu Bluetooth (bez innego wyposażenia dodatkowego) przy użyciu aplikacji Wilo-Assistant
*Zarządzanie pracą pomp podwójnych zintegrowane (pompy podwójne są okablowane), przy stosowaniu 2 pomp pojedynczych jako jednostki pompy podwójnej, połączenie Wilo Net
*Możliwość rozpoznania przerwania przewodu w przypadku sygnału analogowego (w połączeniu z 2 - 10 V lub 4 - 20 mA)
*Ustawienie na zewnątrz z ochroną przed czynnikami klimatycznymi zgodnie z instrukcją montażu i obsługi
*Data i godzina ustawione seryjnie
*Zakres dostawy
*Pompa
*2x zoptymalizowany Wilo-Konektor do wszystkich wielkości
*4x dławik przewodu M16 x 1,5
*Podkładki dla śrub kołnierzowych M12 i M16 (wartości znamionowe podłączenia DN 32 i DN 65)
*2x uszczelki w przypadku przyłącza gwintowanego
*Kompaktowa instrukcja montażu i obsługi
*Opcjonalne wyposażenie dodatkowe:
*Moduł CIF: Modbus RTU, BACnet MS/TP, LON, PLR
*PT 1000 (B) czujniki orurowania (dla wody użytkowej)
*PT 1000 (AA) przetwornik do montażu w tulei zanurzeniowej
*Czujnik różnicy ciśnień
Dane eksploatacyjne
*temperatura przetłaczanej cieczy: -10 oC
*temperatura otoczenia: -10 oC
*Maks. ciśnienie robocze: 16 bar
*Minimalna wysokość dopływu dla 50 oC: 7
*Minimalna wysokość dopływu dla 95 oC: 15
*Minimalna wysokość dopływu dla 110 oC: 23
Dane silnika
*Współczynnik sprawności energetycznej (EEI): 0,17
*Generowanie zakłóceń: EN 61800-3;2004+A1;2012 / środowisko mieszkalne (C1)
*Odporność na zakłócenia: EN 61800-3;2004+A1;2012 / środowisko przemysłowe (C2)
*Przyłącze sieciowe:
*Pobór mocy: 1350
*Prędkość obrotowa min.: 400 Obroty / min
*Prędkość obrotowa maks.: 3050 Obroty / min
*Stopień ochrony silnika:
*Dławik przewodu:
Materiały
*Korpus pompy: EN-GJL-250
*Wirnik:
*Wał: 1.4028, z powłoką DLC
*Materiał łożysk: Węgiel spiekany, impregnowany antymonem
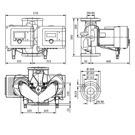
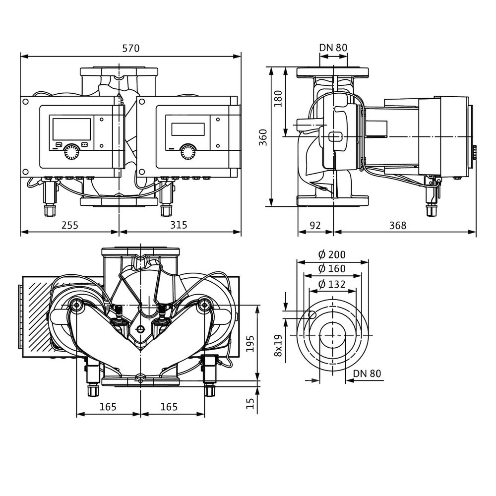
Wymiary montażowe
*Przyłącze gwintowane po stronie ssawnej: DN 80
*Przyłącze gwintowane po stronie tłocznej: DN 80
*Długość montażowa: 360 mm
Informacje na temat umiejscowienia zamówień
*Produkt:
*Nazwa produktu: Stratos MAXO-D 80/0,5-12 PN 16
*Masa netto ok.: 65,2 kg
*Numer artykułu: 2186305
Marka
Symbol
812186305
Rodzaj towaru
Pompy i grupy pompowe do c.o. i c.w.u.
EAN
4048482798295
Kod producenta
2186305
Prąd znamionowy [A]
6.13
Wskaźnik efektywności energetycznej (EEI)
0.17
Pobór mocy silnika (P1) [W]
1.41
Pobór mocy przez pompę (solpump) [W]
1410
Pobór mocy przez pompę w trybie czuwania (solstandbypump) [W]
20
Materiał wirnika
Polipropylen
Częstotliwość
50/60 Hz
Stopień ochrony (IP)
IPX4D
Klasa izolacji wg IEC
F
Regulacja obrotów silnika
Wbudowany
Podwójna pompa
1
Liczba faz
1
Zakres napięcia znamionowego [V]
230
Maks. ciśnienie robocze [bar]
16
Średnica zewnętrzna przyłącza od strony wylotowej [mm]
80
Maks. wydajność (maks. przepływ) [m³/h]
104
Maks. wysokość podnoszenia [m]
13.95
Przepływ nominalny (BEP) [m³/h]
70.93
Wysokość podnoszenia przy przepływie nominalnym (BEP) [kPa]
79.57
Obsługa protokołu LON/LONWorks
1
Materiał korpusu pompy
Żeliwo
Gatunek materiału korpusu pompy
Żeliwo GG 25
Gatunek materiału wirnika
PP-GF
Przyłącze od strony wlotowej
Kołnierz
Średnica nominalna przyłącza od strony wlotowej
DN 80
Klasa ciśnienia kołnierza przyłącza wlotowego
PN 16
Rodzaj przyłącza wlotowego
EN 1092-2
Przyłącze po stronie wylotowej
Kołnierz
Średnica nominalna przyłącza od strony wylotowej
DN 80
Klasa ciśnienia kołnierza przyłącza wylotowego
PN 16
Rodzaj przyłącza wylotowego
EN 1092-2
Kształt końcówki
Okrągły
Strona www producenta
www.wilo.pl
Zapytaj o produkt
Napisz swoją opinię
















