Dodaj produkty podając kody
Dodaj plik CSV
Wpisz kody produktów, które chcesz zbiorczo dodać do koszyka (po przecinku, ze spacją lub od nowej linijki).
Powtórzenie wielokrotnie kodu, doda ten towar tyle razy ile razy występuje.
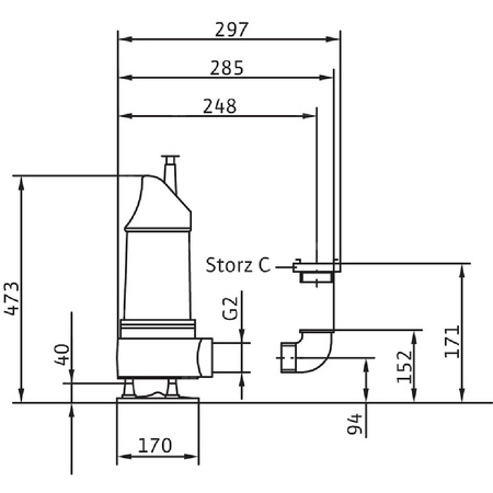
Całkowicie zanurzona pompa zatapialna do wody zanieczyszczonej, pionowe ustawienie mokre, do tłoczenia wody zanieczyszczonej i zawierającej piasek Korpus hydrauliczny i wirnik z żeliwa szarego, korpus silnika z aluminium. Przyłącze tłoczne z pionowym odpływem ciśnieniowym i złączem typu Storz. Samochłodzący silnik w wersji na prąd zmienny jednofazowy, z odłączanym kablem zasilającym i wtyczką z uziemieniem i kondensatorem roboczym. Do uszczelnienia po stronie medium i silnika służy uszczelnienie mechaniczne. Agregat można stosować w podsysającym trybie pracy bez ograniczeń.
Dane eksploatacyjne
*Wysokość podnoszenia maks.: 13 m
Dane produktu
*Rodzaj konstrukcji wirnika: Otwarty wirnik wielokanałowy
*Swobodny przelot kuli w systemie hydraulicznym: 40 mm
*Maks. ciśnienie robocze: 1,5 bar
*Maks. głębokość zanurzenia: 12,5 m
*temperatura przetłaczanej cieczy: 3 oC
Dane silnika
*Przyłącze sieciowe:
*Tolerancja napięcia:
*Współczynnik mocy: 0,86
*Znamionowa moc silnika: 1300
*Pobór mocy: 1800
*Prąd znamionowy: 9,4 A
*Prąd rozruchowy: 20 A
*Rodzaj załączania: Bezpośrednio online (DOL)
*Znamionowa prędkość obrotowa: 2900 Obroty / min
*Maks. częstotliwość załączania: 15
*Klasa izolacji: F
*Stopień ochrony:
*Tryb pracy (zanurzony):
*Tryb pracy (wynurzony):
Przewód
*Długość kabla zasilającego: 10 m
*Typ przewodu:
*Przekrój przewodu: 4G1,5 mm²
*Wtyczka sieciowa:
*Rodzaj kabla zasilającego: Odłączana
Wyposażenie/funkcja
*Wyłącznik pływakowy: nie
*Rodzaj ochrony przeciwwybuchowej:
*Zabezpieczenie silnika: nie
Materiały
*Korpus pompy: EN-GJL-250
*Wirnik: EN-GJL-250
*Wał: Stal nierdzewna
*Materiał uszczelnienia po stronie pompy: QQPGG
*Materiał uszczelnienia po stronie silnika: BVPGG
*Materiał uszczelnienia: FKM
*Materiał silnika: EN-GJL-250
Wymiary montażowe
*Przyłącze gwintowane po stronie ssawnej: -
*Przyłącze gwintowane po stronie tłocznej: Storz C
Informacje na temat umiejscowienia zamówień
*Produkt:
*Nazwa produktu: EMU KS 12E GG
*Masa netto ok.: 27 kg
*Numer artykułu: 6042086
Marka
Symbol
816042086
Rodzaj towaru
Pompy do wody brudnej i ścieków
EAN
4044966435205
Kod producenta
6042086
Prąd znamionowy [A]
9.4
Maks. średnica elementów stałych [mm]
40
Prędkość obrotowa [obr/min]
2900
Maksymalna wysokość podnoszenia [m]
13.52
Pobór mocy silnika (P1) [W]
1.8
Moc oddawana silnika (P2) [W]
1.3
Materiał obudowy silnika
Żeliwo
Gatunek materiału obudowy silnika
Żeliwo GG 25
Materiał korpusu pompy
Żeliwo
Gatunek materiału korpusu pompy
Żeliwo GG 25
Częstotliwość
50 Hz
Stopień ochrony (IP)
IP68
Klasa izolacji wg IEC
F
Podłączenie elektryczne
Przewód połączeniowy z wtyczką
Liczba faz
1
Zakres napięcia znamionowego [V]
230
Maks. ciśnienie robocze [bar]
1.5
Średnica zewnętrzna przyłącza od strony wylotowej [mm]
50
Maks. wydajność (maks. przepływ) [m³/h]
27.74
Przepływ nominalny (BEP) [m³/h]
15.61
Wysokość podnoszenia przy przepływie nominalnym (BEP) [kPa]
79.58
Głębokość zanurzenia [m]
12.5
Materiał wirnika
Żeliwo
Gatunek materiału wirnika
Żeliwo GG 25
Przyłącze po stronie wylotowej
Storz
Średnica nominalna przyłącza od strony wylotowej
Inne
Klasa ciśnienia kołnierza przyłącza wylotowego
PN 10
Rodzaj przyłącza wylotowego
Inne
Kształt końcówki
Inne
Nominalny tryb pracy
S1
Długość towaru w centymetrach
27
Wysokość towaru w centymetrach
60
Szerokość towaru w centymetrach
40
Strona www producenta
www.wilo.pl
Zapytaj o produkt
Napisz swoją opinię












