Dodaj produkty podając kody
Dodaj plik CSV
Wpisz kody produktów, które chcesz zbiorczo dodać do koszyka (po przecinku, ze spacją lub od nowej linijki).
Powtórzenie wielokrotnie kodu, doda ten towar tyle razy ile razy występuje.
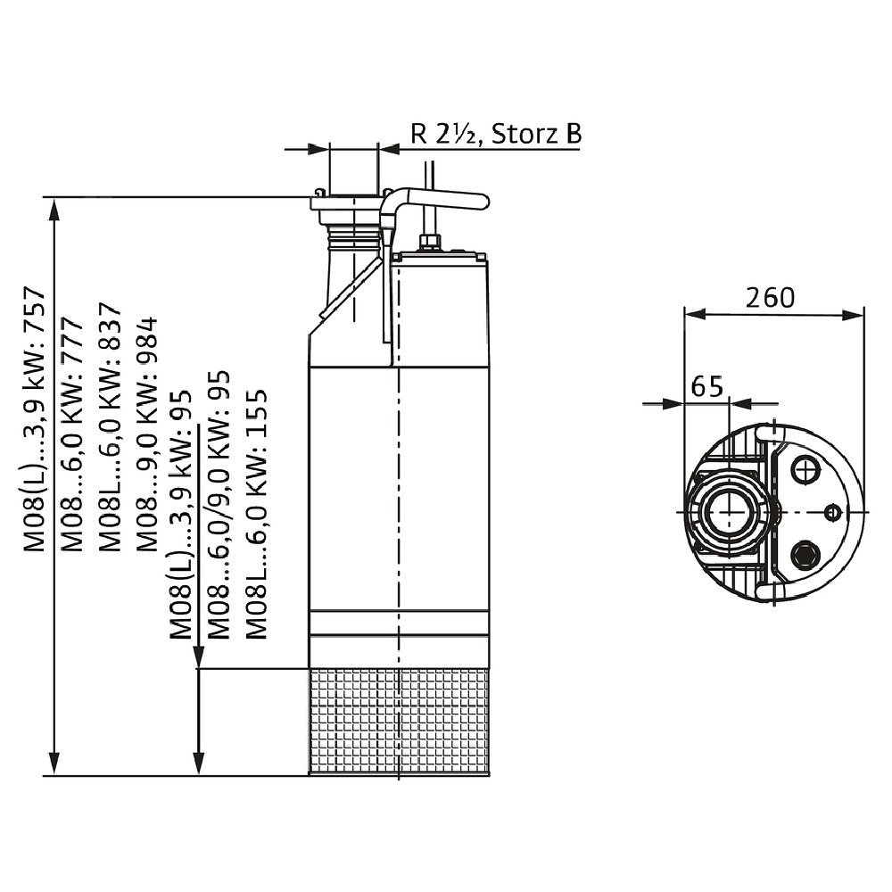
Całkowicie zanurzona pompa zatapialna do wody zanieczyszczonej, pionowe ustawienie mokre, do tłoczenia wody zanieczyszczonej i zawierającej piasek Korpus hydrauliczny z gumowanego aluminium, wirnik ze stali chromowej Duplex, korpus silnika z aluminium w płaszczu chłodzącym ze stali nierdzewnej. Przyłącze tłoczne z pionowym lub poziomym odpływem ciśnieniowym i złączem typu Storz. Chłodzony powierzchniowo silnik IE3 w wersji na prąd trójfazowy z termiczną kontrolą silnika, ochroną silnika i komorą uszczelnienia. Rozłączny kabel zasilający z wtyczką wg standardu CEE z funkcją zamiany faz. Uszczelnienie zapewniają dwa niezależne od kierunku obrotów uszczelnienia mechaniczne. Agregat można stosować w podsysającym trybie pracy bez ograniczeń.
Dane eksploatacyjne
Dane produktu
*Rodzaj konstrukcji wirnika: Otwarty wirnik wielokanałowy
*Swobodny przelot kuli w systemie hydraulicznym: 10 mm
*Maks. ciśnienie robocze: 3,5 bar
*Maks. głębokość zanurzenia: 20 m
*temperatura przetłaczanej cieczy: 3 oC
Dane silnika
*Przyłącze sieciowe:
*Tolerancja napięcia:
*Współczynnik mocy: 0,86
*Znamionowa moc silnika: 3900
*Pobór mocy: 4600
*Prąd znamionowy: 7,8 A
*Prąd rozruchowy: 52 A
*Rodzaj załączania: Bezpośrednio online (DOL)
*Znamionowa prędkość obrotowa: 2857 Obroty / min
*Maks. częstotliwość załączania: 20
*Klasa izolacji: H
*Stopień ochrony:
*Tryb pracy (zanurzony):
*Tryb pracy (wynurzony):
Przewód
*Długość kabla zasilającego: 23 m
*Typ przewodu:
*Przekrój przewodu: 7G1,5 mm²
*Wtyczka sieciowa:
*Rodzaj kabla zasilającego: Nieodłączana
Wyposażenie/funkcja
*Wyłącznik pływakowy: nie
*Rodzaj ochrony przeciwwybuchowej:
*Zabezpieczenie silnika: Bimetal
Materiały
*Korpus pompy:
*Wirnik: Stal nierdzewna
*Wał: Stal nierdzewna
*Materiał uszczelnienia po stronie pompy: QQPGG
*Materiał uszczelnienia po stronie silnika: BXPFF
*Materiał uszczelnienia:
*Materiał silnika:
Wymiary montażowe
*Przyłącze gwintowane po stronie ssawnej: -
*Przyłącze gwintowane po stronie tłocznej: Storz B
Informacje na temat umiejscowienia zamówień
*Produkt:
*Nazwa produktu: Padus PRO M08/T039-540
*Masa netto ok.: 53 kg
*Numer artykułu: 6083436
Marka
Symbol
816083436
Rodzaj towaru
Pompy do wody brudnej i ścieków
EAN
4048482824413
Kod producenta
6083436
Prąd znamionowy [A]
3.6
Maks. średnica elementów stałych [mm]
10
Prędkość obrotowa [obr/min]
2850
Maksymalna wysokość podnoszenia [m]
20.68
Pobór mocy silnika (P1) [W]
2.1
Moc oddawana silnika (P2) [W]
1.5
Materiał obudowy silnika
Stal nierdzewna
Gatunek materiału obudowy silnika
Stal nierdzewna 316
Materiał korpusu pompy
Polipropylen
Gatunek materiału korpusu pompy
St 37
Częstotliwość
50 Hz
Stopień ochrony (IP)
IP68
Klasa izolacji wg IEC
F
Podłączenie elektryczne
Przewód połączeniowy z wtyczką
Liczba faz
3
Zakres napięcia znamionowego [V]
400
Maks. ciśnienie robocze [bar]
2.27
Średnica zewnętrzna przyłącza od strony wylotowej [mm]
50
Maks. wydajność (maks. przepływ) [m³/h]
41.4
Przepływ nominalny (BEP) [m³/h]
20.93
Wysokość podnoszenia przy przepływie nominalnym (BEP) [kPa]
148.18
Głębokość zanurzenia [m]
7
Materiał wirnika
Polipropylen
Gatunek materiału wirnika
PP-GF
Przyłącze po stronie wylotowej
Gwint zewnętrzny gazowy walcowy
Średnica nominalna przyłącza od strony wylotowej
2 cale
Klasa ciśnienia kołnierza przyłącza wylotowego
PN 10
Rodzaj przyłącza wylotowego
ISO 228-1
Kształt końcówki
Inne
Nominalny tryb pracy
S1
Strona www producenta
www.wilo.pl
Zapytaj o produkt
Napisz swoją opinię












