Dodaj produkty podając kody
Dodaj plik CSV
Wpisz kody produktów, które chcesz zbiorczo dodać do koszyka (po przecinku, ze spacją lub od nowej linijki).
Powtórzenie wielokrotnie kodu, doda ten towar tyle razy ile razy występuje.
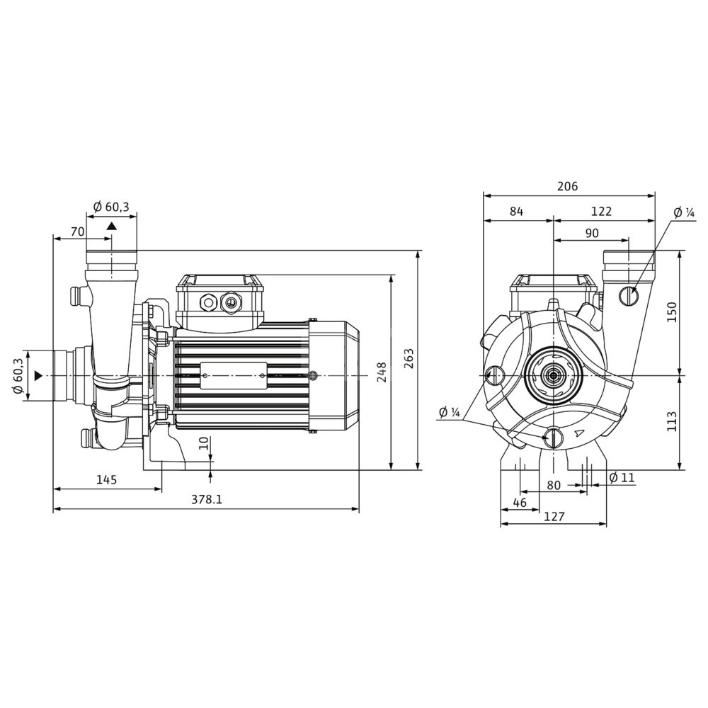
Jednostopniowa dławnicowa pompa wirowa o konstrukcji blokowej do zastosowania w instalacjach wentylacyjnych i klimatyzacyjnych. Odporna na drgania i zwarta konstrukcja zapewniająca cichą pracę, z zamocowanym bezpośrednio na kołnierzu silnikiem trójfazowym i wałem niedzielonym. Z niezależnym od kierunku obrotów mieszkowym uszczelnieniem mechanicznym oraz wirnikiem redukującym kawitację. Korpus pompy z przyłączem Victaulic zapewnia łatwy montaż.
Marka
Symbol
814245155
Rodzaj towaru
Pompy do wody użytkowej
EAN
4062679137834
Kod producenta
4245155
Strona www producenta
www.wilo.pl
Zapytaj o produkt
Napisz swoją opinię












