Dodaj produkty podając kody
Dodaj plik CSV
Wpisz kody produktów, które chcesz zbiorczo dodać do koszyka (po przecinku, ze spacją lub od nowej linijki).
Powtórzenie wielokrotnie kodu, doda ten towar tyle razy ile razy występuje.
Wysokociśnieniowa, pionowa pompa wirowa o najwyższej sprawności, z króćcami Inline
*Normalnie zasysająca wysokociśnieniowa wirowa pompa odśrodkowa ma zwartą konstrukcję i jest łatwa w konserwacji. Wał pompy i wał silnika odpowiadający normom IEC są połączone złączką zaciskową, a oddzielne łożysko toczne latarni zapewnia optymalne przejęcie sił osiowych. Łożyska pośrednie w układzie hydraulicznym i wał odporny na korozję z tuleją ze stali nierdzewnej gwarantują długą żywotność. Specjalne, trwale przymocowane osie podnoszące umożliwiają łatwy montaż pompy.
*Pompa służy do zaopatrywania w wodę i podwyższania ciśnienia, zarówno w przemysłowych systemach cyrkulacyjnych, jak i w obiegach wody procesowej i zamkniętych obiegach chłodzenia. Można ją również stosować jako element systemu przeciwpożarowego, w myjniach, a także do nawadniania.
*Cechy szczególne/zalety produktu
*Zoptymalizowana sprawność, spawana laserowo i wysokowydajna hydraulika 2D/3D z przepływem i optymalizacją trybu odgazowania
*Wirniki, kierownice, obudowy stopnia z materiału odpornego na korozję
*Korpus pompy zoptymalizowany pod względem przepływu i wartości nadwyżki antykawitacyjnej
*Przyjazna w konserwacji konstrukcja z wyjątkowo solidną osłoną sprzęgła
*Dopuszczenie do stosowania z wodą użytkową dla pomp na wszystkie części ze stali nierdzewnej, które mają kontakt z medium (wersja EPDM)
*Zakres dostawy
*Wysokociśnieniowa pompa wirowa Wilo-Helix V
*Instrukcja montażu i obsługi
*Wskazówki dotyczące konstrukcji
*Zabezpieczenie silnika na prąd trójfazowy na zapytanie lub zapewnione przez Użytkownika
*Silnik prądu przemiennego z zabudowanym termicznym zabezpieczeniem silnika i kondensatorem
*Standardowe położenie skrzynki zaciskowej znajduje się nad króćcem ssącym, może jednak w razie potrzeby zostać zmienione
*Pompy typoszeregu Wilo-Helix V są wyposażone w przyjazne dla użytkownika uszczelnienie mechaniczne o konstrukcji kasetowej i seryjnie wyposażoną uszczelkę, co zapewnia łatwą konserwację
*Sprzęgło demontowalne (przy wartości ≥ 7,5 kW) umożliwia wymianę uszczelnienia mechanicznego bez konieczności demontażu silnika
*Elastyczny, dostępny w dwóch wersjach osiowania wzór latarni umożliwia bezpośredni dostęp do uszczelnienia mechanicznego
*Okrągłe przeciwkołnierze z żeliwa szarego lub stali nierdzewnej, śruby, nakrętki i uszczelki dla pomp wersji PN 16 oraz PN 25 oraz Pmax = 30 bar są dostępne jako wyposażenie dodatkowe
*Zestawy obejść są dostępne w ramach wyposażenia dodatkowego
*Pompa Wilo-Helix V(F) w wersji z certyfikatem VdS jest dostępna na zamówienie.
Dane eksploatacyjne
Dane produktu
*Min. temperatura przetłaczanej cieczy: -15 oC
*Maks. temperatura przetłaczanej cieczy: 90 oC
*Maks. temperatura otoczenia: 50 oC
*Maks. ciśnienie robocze: 25 bar
*Ciśnienie na dopływie: 10 bar
*Wskaźnik minimalnej energochłonności (MEI): 0,7
Dane silnika
*Przyłącze sieciowe:
*Tolerancja napięcia:
*Znamionowa moc silnika: 15000
*Klasa sprawności energetycznej silnika:
*Prąd znamionowy: 26,7 A
*Znamionowa prędkość obrotowa: 2900 Obroty / min
*Współczynnik mocy: 0,88
*Sprawność silnika ηm 50 %: 90,2
*Sprawność silnika ηm 75 %: 91,8
*Sprawność silnika ηm 100 %: 91,9
*Klasa izolacji: F
*Stopień ochrony:
Materiały
*Korpus pompy: Stal nierdzewna
*Wirnik: Stal nierdzewna
*Wał: Stal nierdzewna
*Uszczelnienie wału: U3BVGG
*Materiał uszczelnienia: FKM
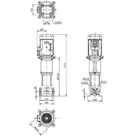
Wymiary montażowe
*Przyłącze gwintowane po stronie ssawnej: DN 25
*Przyłącze gwintowane po stronie tłocznej: DN 25
Informacje na temat umiejscowienia zamówień
*Produkt:
*Nazwa produktu: HELIX V2210-2/25/V/KS/400-50
*Masa netto ok.: 184 kg
*Numer artykułu: 4139788
Marka
Symbol
814139788
Rodzaj towaru
Pompy do wody użytkowej
EAN
4048482074078
Kod producenta
4139788
Prąd znamionowy [A]
26.7
Długość wbudowania [mm]
300
Moc oddawana silnika (P2) [kW]
15
Prędkość obrotowa [obr/min]
2900
Wysokość pompy [mm]
172
Model
Pionowy
Częstotliwość
50 Hz
Klasa izolacji wg IEC
F
Stopień ochrony (IP)
IP55
Regulacja obrotów silnika
Brak
Liczba faz
3
Zakres napięcia znamionowego [V]
400
Maks. ciśnienie robocze [bar]
25
Średnica zewnętrzna przyłącza od strony wylotowej [mm]
50
Maks. wydajność (maks. przepływ) [m³/h]
35
Maks. wysokość podnoszenia [m]
178.2
Wskaźnik minimalnej sprawności (MEI)
0.7
Materiał korpusu pompy
Stal nierdzewna
Gatunek materiału korpusu pompy
Stal nierdzewna 316
Materiał wirnika
Stal nierdzewna
Gatunek materiału wirnika
Stal nierdzewna 316 L
Materiał połączenia
Stal nierdzewna
Gatunek materiału połączenia
Stal nierdzewna 316
Podłączenie elektryczne
Zaciski
Układ komunikacji
Brak
Przyłącze od strony wlotowej
Kołnierz
Średnica nominalna przyłącza od strony wlotowej
DN 50
Klasa ciśnienia kołnierza przyłącza wlotowego
PN 25
Rodzaj przyłącza wlotowego
EN 1092-1
Przyłącze po stronie wylotowej
Kołnierz
Średnica nominalna przyłącza od strony wylotowej
DN 50
Klasa ciśnienia kołnierza przyłącza wylotowego
PN 25
Rodzaj przyłącza wylotowego
EN 1092-1
Kształt końcówki
Okrągły
Klasa efektywności energetycznej silnika
IE3
Długość towaru w centymetrach
63
Wysokość towaru w centymetrach
86
Szerokość towaru w centymetrach
201
Strona www producenta
www.wilo.pl
Zapytaj o produkt
Napisz swoją opinię












