Dodaj produkty podając kody
Dodaj plik CSV
Wpisz kody produktów, które chcesz zbiorczo dodać do koszyka (po przecinku, ze spacją lub od nowej linijki).
Powtórzenie wielokrotnie kodu, doda ten towar tyle razy ile razy występuje.
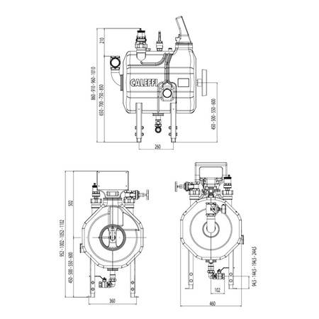
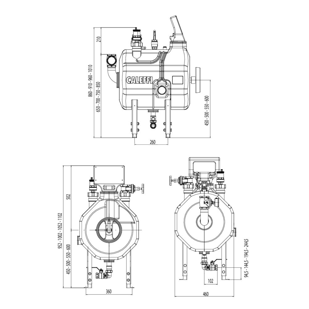
Filtr-separator magnetyczny z funkcją manualnego czyszczenia Korpus i nogi ze stali nierdzewnej AISI 304. Zdolność separacji cząstek: powyżej 2 µm. Przyłącze: G 2" (ISO 228-1) GW, wlot. Przyłącze: G 2" (ISO 228-1) GW, wylot. podłączenie spustu: G 1" A (ISO 228-1) GZ. przyłącze do płukania: G 1" (ISO 228-1) GW. Maksymalne ciśnienie pracy: 10 bar. Zakres temperatury medium: 5–85 °C. Kv: 45 m³/h. Materiał: stal nierdzewna.
Marka
Symbol
ZZ579001
Rodzaj towaru
Pozostałe zabezpieczenia instalacji
EAN
8016615599794
Kod producenta
579001
Strona www producenta
www.caleffi.com/poland/pl
Zapytaj o produkt
Napisz swoją opinię











