Dodaj produkty podając kody
Dodaj plik CSV
Wpisz kody produktów, które chcesz zbiorczo dodać do koszyka (po przecinku, ze spacją lub od nowej linijki).
Powtórzenie wielokrotnie kodu, doda ten towar tyle razy ile razy występuje.
|
charakterystyka
|
opakowanie - ilość szt.
|
masa jedn.
|
nr kat.
|
|||||||||||||||||
|
G1
|
G2
|
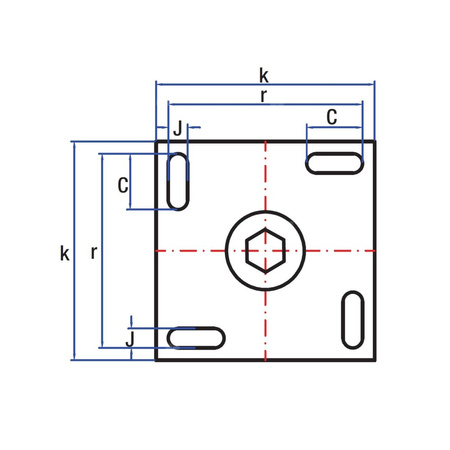
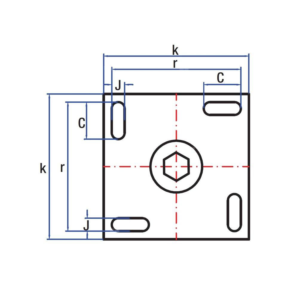
k
|
J
|
r
|
c
|
L
|
m
|
N
|
F
|
w
|
h1
|
h2
|
h3
|
S1
|
S2
|
S3
|
woreczek
|
karton
|
kg
|
|
|
3/4"
|
1/2"
|
85
|
9
|
72
|
20
|
251
|
95
|
-
|
180
|
46
|
-
|
-
|
19
|
-
|
-
|
-
|
-
|
1
|
1,794
|
CW1060
|
|
3/4"
|
1/2"
|
85
|
9
|
72
|
20
|
251
|
95
|
80
|
180
|
46
|
-
|
12
|
19
|
30
|
27 |
-
|
-
|
1
|
1,948 |
CW1061
|
|
3/4"
|
1/2"
|
85
|
9
|
72
|
20
|
251
|
95
|
80
|
180
|
46
|
11
|
12
|
-
|
30
|
27
|
27
|
-
|
1
|
1,894
|
CW1062
|
Marka
Symbol
C2CW1062
Rodzaj towaru
Pozostałe zabezpieczenia instalacji
EAN
5900000169323
Kod producenta
CW1062
Materiał korpusu
Mosiądz
Nominalna średnica wewnętrzna
3/4''
Rodzaj połączenia
GZ
Strona www producenta
www.rumet.pl
Zapytaj o produkt
Napisz swoją opinię












