Dodaj produkty podając kody
Dodaj plik CSV
Wpisz kody produktów, które chcesz zbiorczo dodać do koszyka (po przecinku, ze spacją lub od nowej linijki).
Powtórzenie wielokrotnie kodu, doda ten towar tyle razy ile razy występuje.
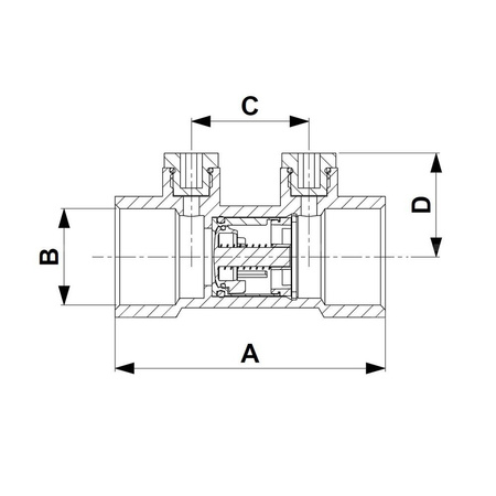
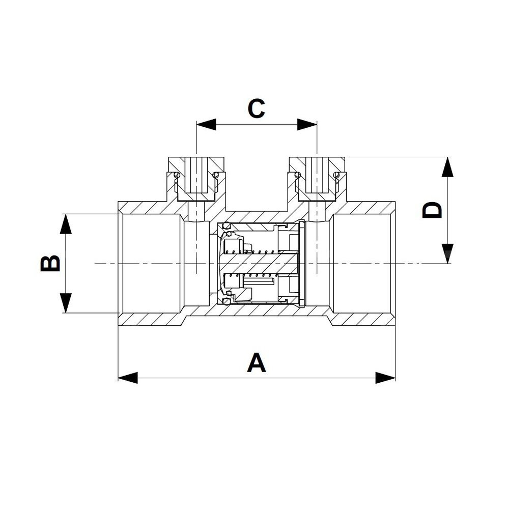
Ochrona przed zanieczyszczeniami: Zawory antyskażeniowe mają na celu ochronę wody pitnej przed możliwością skażenia wtórnego, czyli spowodowanego przepływem zwrotnym. Powrót zanieczyszczonej wody stanowić może bardzo poważne zagrożenie dla całego systemu wody pitnej, w tym dla zdrowia ludzi. Odpowiednio dobrane i zainstalowane zawory antyskażeniowe stano wią skuteczne zabezpieczenie.
Certyfikowana klasa: Zawory antyskażeniowe klasy EA to najczęściej stosowany rodzaj zaworów antyskażeniowych w domach jednorodzinnych, a także w instalacjach przeciwpożarowych (hydrantowych, tryskaczowych).
Marka
Symbol
04711-000-32
Rodzaj towaru
Armatura regulacyjna
EAN
5907571710299
Kod producenta
711-000-32
Strona www producenta
www.kfa.pl
Zapytaj o produkt
Napisz swoją opinię









