Dodaj produkty podając kody
Dodaj plik CSV
Wpisz kody produktów, które chcesz zbiorczo dodać do koszyka (po przecinku, ze spacją lub od nowej linijki).
Powtórzenie wielokrotnie kodu, doda ten towar tyle razy ile razy występuje.
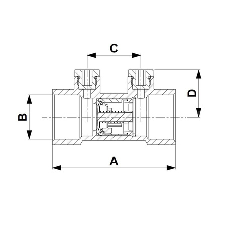
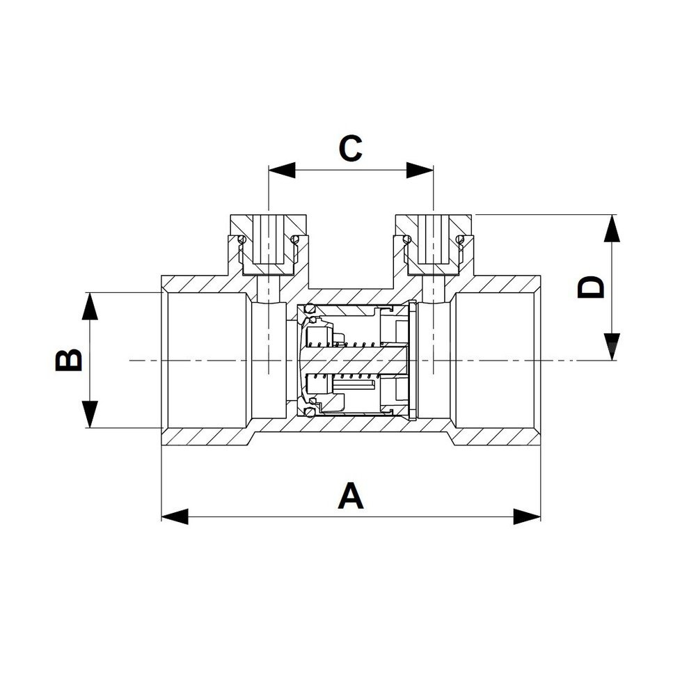
Certyfikowana klasa: Zawory antyskażeniowe klasy EA to najczęściej stosowany rodzaj zaworów antyskażeniowych w domach jednorodzinnych, a także w instalacjach przeciwpożarowych (hydrantowych, tryskaczowych).
Marka
Symbol
04711-000-15
Rodzaj towaru
Armatura regulacyjna
EAN
5907571710268
Kod producenta
711-000-15
Strona www producenta
www.kfa.pl
Zapytaj o produkt
Napisz swoją opinię










