Dodaj produkty podając kody
Dodaj plik CSV
Wpisz kody produktów, które chcesz zbiorczo dodać do koszyka (po przecinku, ze spacją lub od nowej linijki).
Powtórzenie wielokrotnie kodu, doda ten towar tyle razy ile razy występuje.
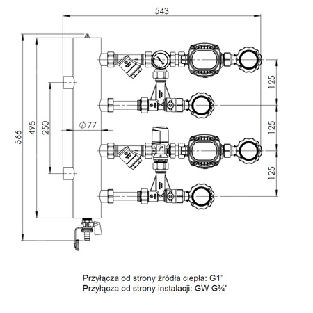
Grupa pompowa AFRISO BPS 961 AP GZ x GW 1'' x 3/4'', z zaworem mieszającym, z zaworem termostatycznym, z pompą obiegową
Zastosowanie
- Stosowany w instalacjach grzewczych i chłodzących.
- Montowany na ścianie między źródłem a instalacją.
- Pozwala na przyłączenie dwóch obiegów grzewczych/chłodzących.
- Rozdziela hydraulicznie obieg źródła od obiegów po stronie instalacji.
- Zapewnia prawidłowe natężenie przepływu medium i niezależną od siebie pracę poszczególnych obiegów.
Opis
- Pompy obiegowe AFRISO APH 160.
- Obrotowy zawór mieszający ARV 362 ProClick (Kvs 6,3 m3/h).
- Termostatyczny zawór mieszający ATM 561 (Kvs 2,5 m3/h) z zakresem regulacji temperatury zasilania 20-43°C.
- Zawory odcinające ze zintegrowanymi termometrami do kontroli temperatury medium na każdym przyłączu.
- Zawory zwrotne wbudowane w trójniki na przyłączach powrotnych.
- Tuleje do montażu czujników temperatury na każdym przyłączu.
- Filtry siatkowe do ochrony pomp i zaworów mieszających przed zanieczyszczeniami.
- Możliwość montażu ze źródłem ciepła po prawej i lewej stronie.
- Sprzęgło hydrauliczne z odpowietrznikiem ręcznym i zaworem spustowym do usunięcia zanieczyszczeń wytrąconych z medium.
- Montaż regulatora ACT 443 ProClick lub ARC 345 ProClick na zaworze mieszającym ARV ProClick pozwala automatycznie nastawić temperaturę zasilania instalacji stałotemperaturowo lub pogodowo i sterować pompą obiegową.
- Możliwe doposażenie sprzęgła w izolację (Art.-nr 90 800 02), by zmniejszyć straty ciepła.
Marka
Symbol
809096120
Rodzaj towaru
Pompy i grupy pompowe do c.o. i c.w.u.
EAN
5902510010232
Kod producenta
9096120
Wbudowana pompa obiegowa
1
Rodzaj przyłącza głównego
Gwint zewnętrzny
Średnica nominalna po stronie pierwotnej
1''
Przyłącze obwodu wtórnego
Gwint wewnętrzny
Średnica nominalna po stronie wtórnej
3/4''
Z zaworem mieszającym
1
Z zaworem termostatycznym
1
Długość towaru w centymetrach
620
Wysokość towaru w centymetrach
740
Szerokość towaru w centymetrach
150
Strona www producenta
www.afriso.pl
Zapytaj o produkt
Napisz swoją opinię






















