Dodaj produkty podając kody
Dodaj plik CSV
Wpisz kody produktów, które chcesz zbiorczo dodać do koszyka (po przecinku, ze spacją lub od nowej linijki).
Powtórzenie wielokrotnie kodu, doda ten towar tyle razy ile razy występuje.
Pompa cyrkulacyjna wody użytkowej, pompa bezdławnicowa z ręczną, trójstopniową regulacją prędkości obrotowej, do montażu na rurociągu.
Silnik odporny na prąd przy zablokowaniu. Korpus pompy z brązu, wirnik z tworzywa sztucznego wzmocnionego włóknem szklanym, wał ceramiczny z węglowymi łożyskami ślizgowymi impregnowanymi żywicą.
Dane eksploatacyjne
*temperatura przetłaczanej cieczy: 2 oC
*temperatura otoczenia: 0 oC
*Maks. ciśnienie robocze: 10 bar
*Max. dozwolona twardość całkowita w systemach cyrkulacyjnych ciepłej wody użytkowej:
Dane silnika
*Generowanie zakłóceń:
*Odporność na zakłócenia:
*Przyłącze sieciowe:
*Pobór mocy: 71
*Prędkość obrotowa maks.: 1900 Obroty / min
*Prąd znamionowy: 0,31 A
*Stopień ochrony silnika:
*Dławik przewodu:
Materiały
*Korpus pompy:
*Wirnik:
*Wał: Spiek ceramiczny
*Materiał łożysk: Węgiel spiekany, impregnowany żywicą
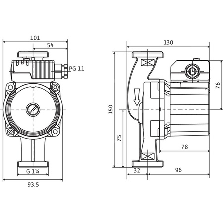
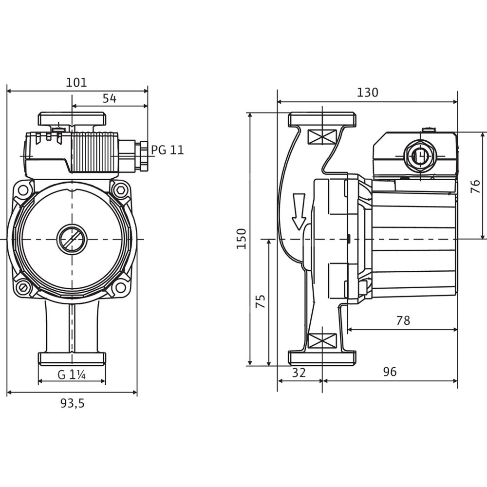
Wymiary montażowe
*Przyłącze gwintowane po stronie ssawnej: G 1¼
*Przyłącze gwintowane po stronie tłocznej: G 1¼
*Długość montażowa: 150 mm
Informacje na temat umiejscowienia zamówień
*Produkt:
*Nazwa produktu: Star-Z 20/4-3
*Masa netto ok.: 2,3 kg
*Numer artykułu: 4081193
Marka
Symbol
814081193
Rodzaj towaru
Pompy i grupy pompowe do c.o. i c.w.u.
EAN
4016322698043
Kod producenta
4081193
Prąd znamionowy [A]
0.31
Pobór mocy silnika (P1) [W]
0.07
Pobór mocy przez pompę (solpump) [W]
71
Materiał wirnika
Polipropylen
Częstotliwość
50 Hz
Stopień ochrony (IP)
IP44
Klasa izolacji wg IEC
F
Liczba faz
1
Temperatura otoczenia [°C]
40
Zakres napięcia znamionowego [V]
230
Maks. ciśnienie robocze [bar]
10
Średnica zewnętrzna przyłącza od strony wylotowej [mm]
32
Maks. wydajność (maks. przepływ) [m³/h]
3.68
Maks. wysokość podnoszenia [m]
4.7
Przepływ nominalny (BEP) [m³/h]
1.76
Wysokość podnoszenia przy przepływie nominalnym (BEP) [kPa]
23.34
Materiał korpusu pompy
Brąz
Gatunek materiału korpusu pompy
Brąz
Gatunek materiału wirnika
PP-GF
Przyłącze od strony wlotowej
Gwint zewnętrzny gazowy walcowy
Średnica nominalna przyłącza od strony wlotowej
1 1/4 cala
Klasa ciśnienia kołnierza przyłącza wlotowego
PN 10
Rodzaj przyłącza wlotowego
ISO 228-1
Przyłącze po stronie wylotowej
Gwint zewnętrzny gazowy walcowy
Średnica nominalna przyłącza od strony wylotowej
1 1/4 cala
Klasa ciśnienia kołnierza przyłącza wylotowego
PN 10
Rodzaj przyłącza wylotowego
ISO 228-1
Kształt końcówki
Inne
Długość towaru w centymetrach
14.4
Wysokość towaru w centymetrach
9.6
Szerokość towaru w centymetrach
18.8
Strona www producenta
www.wilo.pl
Zapytaj o produkt
Napisz swoją opinię












