Dodaj produkty podając kody
Dodaj plik CSV
Wpisz kody produktów, które chcesz zbiorczo dodać do koszyka (po przecinku, ze spacją lub od nowej linijki).
Powtórzenie wielokrotnie kodu, doda ten towar tyle razy ile razy występuje.
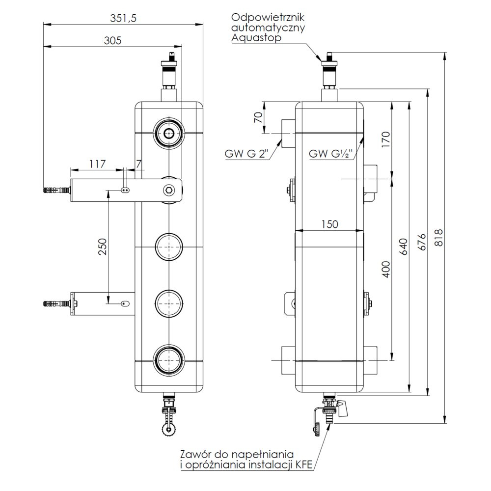
Stosowane w instalacjach grzewczych i chłodzących.
Montowane między rozdzielaczem KSV 125 albo osobno, pomiędzy źródłem ciepła/chłodu a instalacją odbiorczą.
Uniezależnia hydraulicznie obieg źródła ciepła/chłodu od obiegu/obiegów instalacji odbiorczej.
Umożliwia odpowietrzenie instalacji i usunięcie zanieczyszczeń wytrąconych z medium.
Opis
Odpowietrznik automatyczny i zawór spustowy KFE.
Przyłącze GW G1/2’’ z boku sprzęgła, przeznaczone do montażu tulei zanurzeniowej czujnika temperatury.
Izolacja termiczna.
Elementy dostawy
Korek.
Zawór spustowy KFE.
Odpowietrznik automatyczny z zaworem stopowym.
Uchwyty ścienne.
Kołki montażowe.
Zapytaj o produkt
Napisz swoją opinię




















