Dodaj produkty podając kody
Dodaj plik CSV
Wpisz kody produktów, które chcesz zbiorczo dodać do koszyka (po przecinku, ze spacją lub od nowej linijki).
Powtórzenie wielokrotnie kodu, doda ten towar tyle razy ile razy występuje.
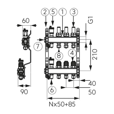
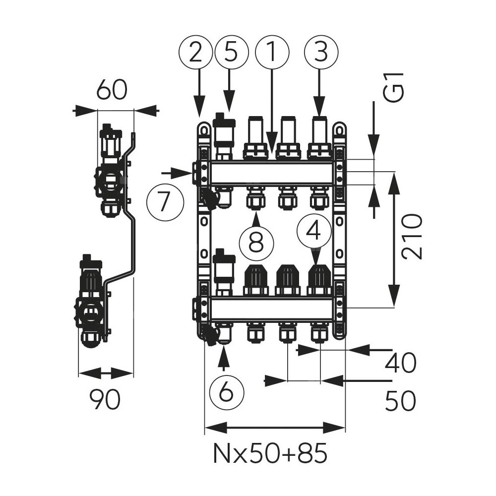
Rozdzielacz do ogrzewania podłogowego FERRO SN-RZP09S 9-obieg. stal nierdzewna gw 1'' x nypel gw 1/2''x3/4'' + przepływomierz + termostat
Marka
Symbol
K5SN-RZP09S
Seria
Rodzaj towaru
Rozdzielacze
EAN
5902194960014
Kod producenta
SN-RZP09S
Liczba obiegów ogrzewania podłogowego
9
Materiał
Stal nierdzewna
Ze wskaźnikiem przepływu
1
Z siłownikiem termicznym
1
Rodzaj przyłącza źródła ciepła
GW
Rozmiar przyłącza źródła ciepła
1''
Rodzaj przyłącza obiegu
Nypel GW
Rozmiar przyłącza obiegu
1/2''x3/4''
Długość towaru w centymetrach
70
Wysokość towaru w centymetrach
11
Szerokość towaru w centymetrach
39
Strona www producenta
www.ferro.pl
Zapytaj o produkt
Napisz swoją opinię










